Thread adapter for microscope, M26 x 0.75, aperture diameter 22 mm
P-725.xM • P-725.xL • P-725.xS Thread Adapters for PIFOC Focus Scanners
Easy Integration of the PIFOC Positioner to a Microscope (suitable for P-725.xCDE2 and P-725.xCDE1S)
- Thread adapters to easily adapt PIFOC positioners to a microscope
- Twist-free cable routing
- Objective spacers for correcting the parfocal length





The PIFOC objective positioners are inserted with the thread adapters between the microscope turret and the objective. After the adapter has been screwed into the turret, the PIFOC positioner is orientated as desired and fixed to the adapter. It is not necessary to turn the PIFOC positioner while doing this, which simplifies cable routing.
Specifications
Specifications
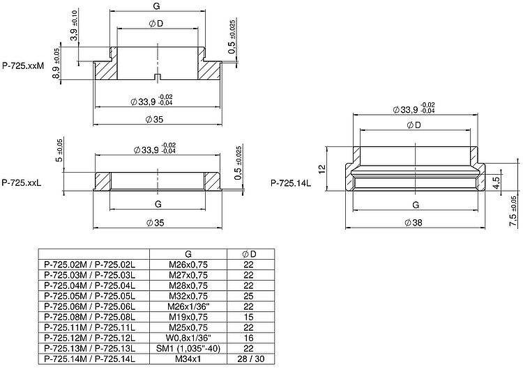
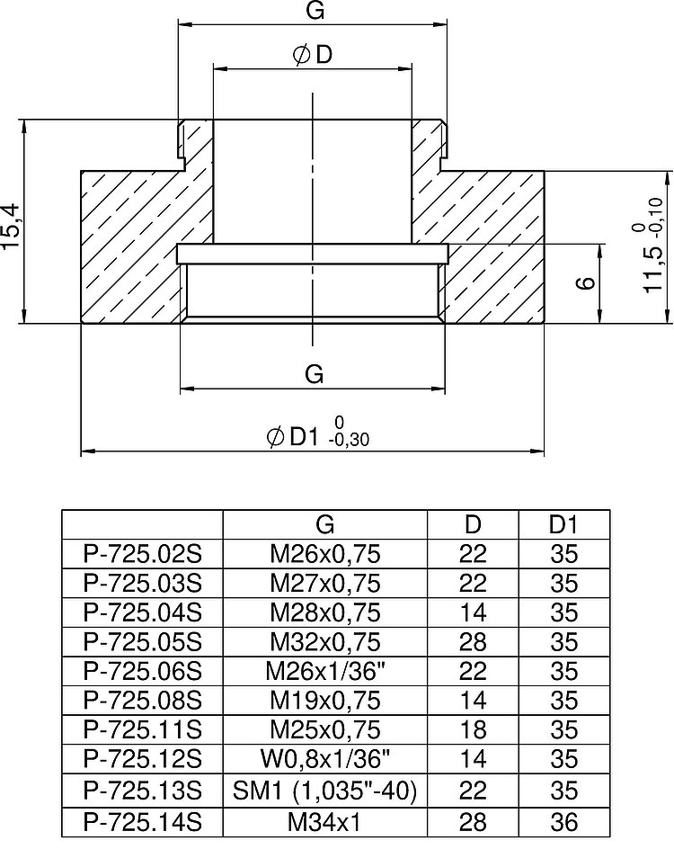
| P-725.02M | P-725.03M | P-725.04M | P-725.05M | P-725.06M | P-725.08M | P-725.11M | P-725.12M | P-725.13M | P-725.14M | P-725.02L | P-725.03L | P-725.04L | P-725.05L | P-725.06L | P-725.08L | P-725.11L | P-725.12L | P-725.13L | P-725.14L | P-725.02S | P-725.03S | P-725.04S | P-725.05S | P-725.06S | P-725.08S | P-725.11S | P-725.12S | P-725.13S | P-725.14S | ||
|---|---|---|---|---|---|---|---|---|---|---|---|---|---|---|---|---|---|---|---|---|---|---|---|---|---|---|---|---|---|---|---|
| Aperture diameter | 22 mm | 22 mm | 22 mm | 25 mm | 22 mm | 15 mm | 22 mm | 16 mm | 22 mm | 28 mm | 22 mm | 22 mm | 22 mm | 25 mm | 22 mm | 15 mm | 22 mm | 16 mm | 22 mm | 28 mm | 22 mm | 22 mm | 14 mm | 28 mm | 22 mm | 14 mm | 18 mm | 14 mm | 22 mm | 28 mm | |
| Material | Brass | Brass | Brass | Brass | Brass | Brass | Brass | Brass | Brass | Brass | Brass | Brass | Brass | Brass | Brass | Brass | Brass | Brass | Brass | Brass | Brass | Brass | Brass | Brass | Brass | Brass | Brass | Brass | Brass | Brass | |
| Thread on the microscope side | M26 × 0.75 mm | M27 × 0.75 mm | M28 × 0.75 mm | M32 × 0.75 mm | M26 × 1/36" | M19 × 0.75 mm | M25 × 0.75 mm | W0.8 × 1/36" | 1,035"-40 (SM1) | M34 × 1 mm | — | — | — | — | — | — | — | — | — | — | M26 × 0.75 mm | M27 × 0.75 mm | M28 × 0.75 mm | M32 × 0.75 mm | M26 × 1/36" | M19 × 0.75 mm | M25 × 0.75 mm | W0.8 × 1/36" | 1,035"-40 (SM1) | M34 × 1 mm | |
| Overall mass | 50 g | 50 g | 50 g | 50 g | 50 g | 50 g | 50 g | 50 g | 50 g | 50 g | 50 g | 50 g | 50 g | 50 g | 50 g | 50 g | 50 g | 50 g | 50 g | 50 g | 50 g | 50 g | 70 g | 30 g | 50 g | 80 g | 60 g | 80 g | 50 g | 30 g | |
| Compatible positioners | — | — | — | — | — | — | — | — | — | — | — | — | — | — | — | — | — | — | — | — | — | — | — | — | — | — | — | — | — | — | |
| Thread on the objective side | — | — | — | — | — | — | — | — | — | — | M26 × 0.75 mm | M27 × 0.75 mm | M28 × 0.75 mm | M32 × 0.75 mm | M26 × 1/36" | M19 × 0.75 mm | M25× 0.75 mm | W0.8 × 1/36" | 1,035"-40 (SM1) | M34 × 1 mm | M26 × 0.75 mm | M27 × 0.75 mm | M28 × 0.75 mm | M32 × 0.75 mm | M26 × 1/36" | M19 × 0.75 mm | M25× 0.75 mm | W0.8 × 1/36" | 1,035"-40 (SM1) | M34 × 1 mm |
Downloads
Datasheet
Documentation
Installation Instructions P725UM0002
Thread Adapters for P-725.xCDE2 PIFOC Focus Scanners and P-725.xCDE1S PIFOC Scanner Systems
Installation Instructions P721T0002
P-721 Thread Adapters for PIFOC Objective Scanners
3D Models
3D Model P-725.xS
3D Model P-725.xM
3D Model P-725.xL
Ask for a free quote on quantities required, prices, and lead times or describe your desired modification.
Thread adapter for microscope, M27 x 0.75, aperture diameter 22 mm
Thread adapter for microscope, M28 x 0.75, aperture diameter 22 mm
Thread adapter for microscope, M32 x 0.75, aperture diameter 25 mm
Thread adapter for microscope, M26 x 1/36", aperture diameter 22 mm
Thread adapter for microscope, M19 x 0.75, aperture diameter 15 mm
Thread adapter for microscope, M25 x 0.75, aperture diameter 22 mm
Thread adapter for microscope, W0.8 x 1/36", aperture diameter 16 mm
Thread adapter for microscope, SM1 (1.035"-40), aperture diameter 22 mm
Thread adapter for microscope, M34 x 1, aperture diameter 28 mm
Thread adapter for objective, M26 x 0.75, aperture diameter 22 mm
Thread adapter for objective, M27 x 0.75, aperture diameter 22 mm
Thread adapter for objective, M28 x 0.75, aperture diameter 22 mm
Thread adapter for objective, M32 x 0.75, aperture diameter 25 mm
Thread adapter for objective, M26 x 1/36", aperture diameter 22 mm
Thread adapter for objective, M19 x 0.75, aperture diameter 15 mm
Thread adapter for objective, M25 x 0.75, aperture diameter 22 mm
Thread adapter for objective, W0.8 x 1/36", aperture diameter 16 mm
Thread adapter for objective, SM1 (1.035"-40), aperture diameter 22 mm
Thread adapter for objective, M34 x 1, aperture diameter 30 mm
Objective spacer for correcting the parfocal length, 11.5 mm, M26 × 0.75 mm thread
Objective spacer for correcting the parfocal length, 11.5 mm, M27 × 0.75 mm thread
Objective spacer for correcting the parfocal length, 11.5 mm, M28 × 0.75 mm thread
Objective spacer for correcting the parfocal length, 11.5 mm, M32 × 0.75 mm thread
Objective spacer for correcting the parfocal length, 11.5 mm, M26 × 1/36" thread
Objective spacer for correcting the parfocal length, 11.5 mm, M19 × 0.75 mm thread
Objective spacer for correcting the parfocal length, 11.5 mm, M25 × 0.75 mm thread
Objective spacer for correcting the parfocal length, 11.5 mm, W0.8 × 1/36" thread
Objective spacer for correcting the parfocal length, 11.5 mm, 1.035"-40 (SM1) thread
Objective spacer for correcting the parfocal length, 11.5 mm, M34 × 1 mm thread








