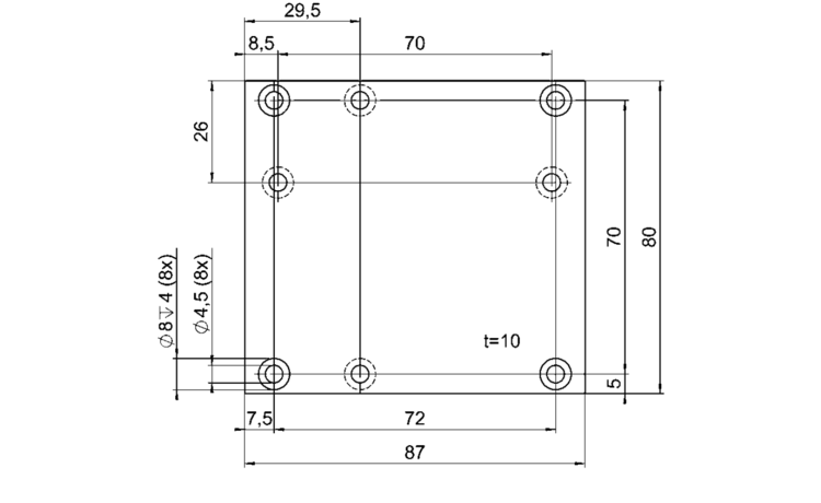
M-403.AP2 Adapter Bracket

For Vertical Mount of M-403/M-404 on M-403/M-404 Stages

M-403.AP2 Adapter Bracket
Product Description Downloads Quote / Order

Downloads

Datasheet

Datasheet

Datasheet M-403.AP2

Version / Date
2015-04-13
pdf - 647 KB
Version / Date
2015-04-13
pdf - 645 KB

Quote / Order

Ask for a free quote on quantities required, prices, and lead times or describe your desired modification.

How to Get a Quote

Click on QUOTE / ORDER
Add variant to quote list
Fill out quote form
Send price request to PI
We will contact you shortly

Ask an engineer!

Quickly receive an answer to your question by email or phone from a local PI sales engineer.

Compatible Products