DuraAct patch transducer; DuraAct piezo actuator drive; 35 mm × 61 mm × 0.4 mm (B × L × TH); solderable contacts
P-876 DuraAct Patch Transducer
Bendable and Robust
- Useable as actuator, sensor or energy generator
- Inexpensive
- Min. bending radii of down to 12 mm
- Compact design
- Individual solutions








Patch transducer
Functionality as actuator and sensor component. Nominal operating voltage from 100 up to 1000 V, depending on the active layer height. Power generation for self-sufficient systems possible up to the milliwatt range. Can also be applied to curved surfaces.
Robust, inexpensive design
Laminated structure consisting of a piezoceramic plate, electrodes and polymer materials. Manufactured with bubble-free injection method. The polymer coating simultaneously serves as electrical insulation and as mechanical preload, which makes the DuraAct bendable.
Customized versions and other specifications on request
- Flexible choice of size
- Flexible choice of thickness and therefore bending ability
- Flexible choice of piezoceramic material
- Variable design of the electrical connections
- Combined actuator/sensor applications, even with several piezoceramic layers
- Multilayer piezo elements
- Arrays
Application fields
Industry and research. Can also be applied to curved surfaces or used for integration in structures. For adaptive systems, energy harvesting, structural health monitoring.
Specifications
Specifications
| Motion | P-876.A11 | P-876.A12 | P-876.A15 | P-876.SP1 | Tolerance |
|---|---|---|---|---|---|
| Minimum lateral contraction | 400 µm/m | 650 µm/m | 800 µm/m | 650 µm/m | |
| Relative lateral contraction | 1.6 µm/m/V | 1.3 µm/m/V | 0.64 µm/m/V | 1.3 µm/m/V | |
| Drive Properties | P-876.A11 | P-876.A12 | P-876.A15 | P-876.SP1 | Tolerance |
| Operating voltage | -50 to 200 | -100 to 400 | -250 to 1000 | -100 to 400 | |
| Drive type | DuraAct | DuraAct | DuraAct | DuraAct | |
| Actuator type | Transducer | Transducer | Transducer | Transducer | |
| Piezo material | PIC255 | PIC255 | PIC255 | PIC255 | |
| Piezoceramic height | 100 µm | 200 µm | 500 µm | 200 µm | |
| Electrical capacitance | 150 nF | 90 nF | 45 nF | 8 nF | ±20 % |
| Mechanical Properties | P-876.A11 | P-876.A12 | P-876.A15 | P-876.SP1 | Tolerance |
| Minimum bending radius | 12 mm | 20 mm | 70 mm | ||
| Blocking force | 90 N | 265 N | 775 N | 280 N | |
| Miscellaneous | P-876.A11 | P-876.A12 | P-876.A15 | P-876.SP1 | Tolerance |
| Operating temperature range | -20 to 150 °C | -20 to 150 °C | -20 to 150 °C | -20 to 150 °C | |
| Connector | Solderable contacts | Solderable contacts | Solderable contacts | Solderable contacts | |
| Recommended controllers / drivers | E-413, E-821, E-835 | E-413, E-821, E-835 | E-413, E-821, E-835 | E-413, E-821, E-835 |
Custom designs or different specifications on request.
Downloads
Datasheet
Documentation
User Manual P876T0001
P-876, P-878 DuraAct and DuraAct Power Patch Transducers
Ask for a free quote on quantities required, prices, and lead times or describe your desired modification.
DuraAct patch transducer; DuraAct piezo actuator drive; 35 mm × 61 mm × 0.5 mm (B × L × TH); solderable contacts
DuraAct patch transducer; DuraAct piezo actuator drive; 35 mm × 61 mm × 0.8 mm (B × L × TH); solderable contacts
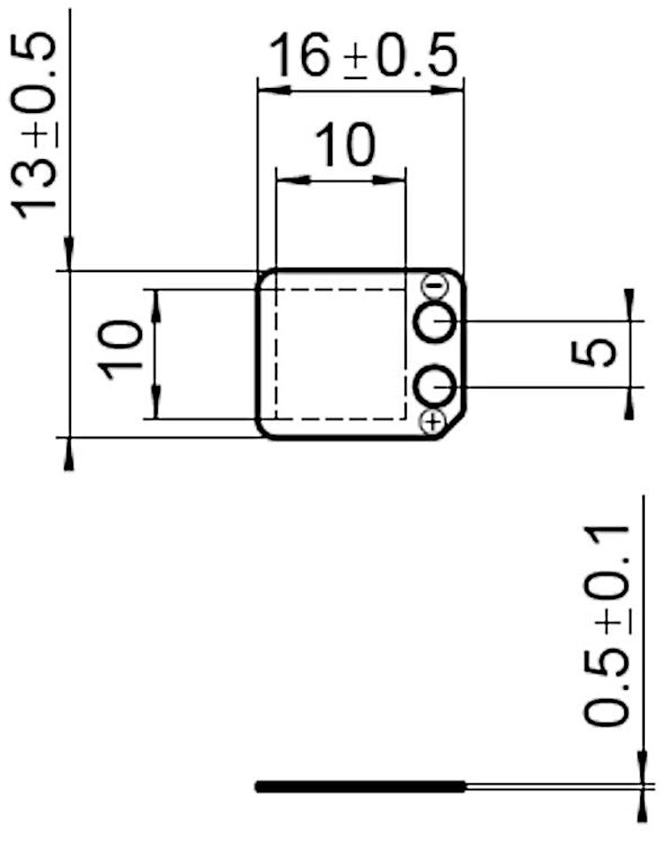
DuraAct patch transducer; DuraAct piezo actuator drive; 13 mm × 16 mm × 0.5 mm (B × L × TH); solderable contacts
How to Get a Quote
Ask an engineer!
Quickly receive an answer to your question by email or phone from a local PI sales engineer.












